
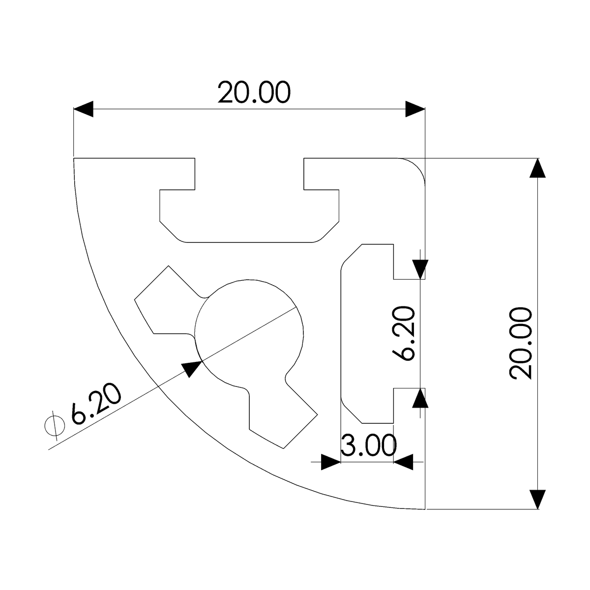
PG20 Series
Profile 20×20 2H, Soft, heavy, plain
H-Slot
SKU1.10.020020.21SP
3D ModelSTEP(110.8 KB)—
Used in light duty frames where aesthetics are important, provides a smooth exterior for vertical posts in the corners of a frame and additional strength compared to the light version of this 20x20 profile.
50mm6000mm
mm
⚙
Machining Options Available
Engineering Specifications
| Property | Symbol | Value | Unit |
|---|---|---|---|
| Moment of Inertia | Ix | 0.6 | cm⁴ |
| Moment of Inertia | Iy | 0.6 | cm⁴ |
| Section Modulus | Wx | 0.6 | cm³ |
| Section Modulus | Wy | 0.6 | cm³ |
| Weight per Meter | G | 0.52 | kg/m |
Material: EN AW-6063 T5 (AlMgSi0.5) · E-modulus: 70,000 N/mm²
Compatible Accessories
37 accessories work with this profile across 8 categories
You May Also Need

Profile 20x20
H-slotProfile · 1.10.020020.43LP

Profile 20x20
H-slotProfile · 1.10.020020.43SP

Profile 20x20
H-slotProfile · 1.10.020020.23LP

Profile 20x20
H-slotProfile · 1.10.020020.33SP

Profile 20x20
H-slotProfile · 1.10.020020.22SP

Profile 16x40
F-slotProfile · 1.10.016040.14LP

Profile 20x30
F-slotProfile · 1.11.020030.14LP

Profile 20x30
F-slotProfile · 1.11.020030.24LP











